欢迎来到湖南省欧尔博自动化科技有限公司官网!!
产品特点:
★ 线性优异,重复精度高,使用寿命长
★ 小圆管直径12.7mm,体积小巧
★ 防护等级IP65,防尘防低频喷射水
★ 阳极氧化铝外壳,不锈钢拉杆
★ 可配置电压、电流、数字485模块
产品简介:
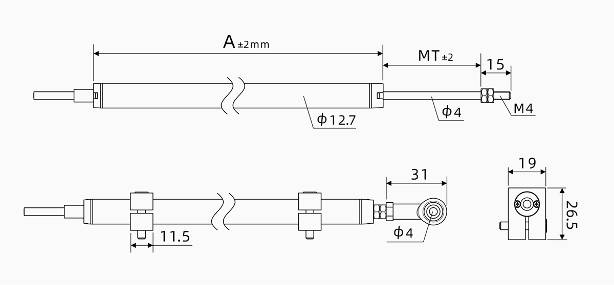
微型拉杆式直线位移传感器DSZ系列,12.7mm小圆管,体积小巧。有效量程:25mm~300mm,两端均有2mm缓冲行程,重复精度:0.01mm,线性精度:0.1%~0.05%FS。外壳表面阳极处理,经久耐用;内置导电塑料测量单元,无温漂,使用寿命长;防护等级:IP65,可以适用在大多数场合,特别适用于安装空间狭小的场合;拉杆球头具有0.5mm自动对中功能,允许极限运动速度可达到10m/s。电刷架结构均采用弹性补偿结构,运行稳定可靠,使用寿命。
部分证书:

点击查看 完整高清证书
参数表:
电气参数 | 量程选型: | |||
产品型号 | DSZ 系列 | 25 50 75 100 125 150 175 200 225 250 275 300 | ||
供电电源 | 5 ~ 30VDC(可选) | |||
输出方式 | 模拟量:电阻信号(0~5KΩ)、电压信号(0~5/0~10V)、电流信号(4~20mA) | |||
数字信号:RS485(Modbus协议) | ||||
测量行程 | 25~100mm | 125~175mm | 200~300mm | |
线性精度 | 0.1%FS | 0.08%FS | 0.05%FS | |
标准阻值 | 5KΩ | |||
阻值公差 | ±10% | |||
重复精度 | 0.01mm | |||
滑刷工作电流 | ≤1uA 致故障时最大10mA | |||
绝缘阻抗 | ≥10MΩ(500VDC,1bar,2s) | |||
绝缘强度 | ≤100uA(50HZ,500VDC,1bar,2s) | |||
环境参数 | ||||
抗振动指标 | 5~2000HZ,Amax=0.75mm,amax=20g | |||
抗冲击指标 | 50g,6ms | |||
环境温度 | -40℃ ~ 120℃ | |||
使用寿命 | 1000万次 | |||
瞬间加速度 | ≤200m/s2 | |||
运行速度 | ≤10m/s | |||
| 防护等级 | IP65 | |||
| 机械参数 | ||||
| 量程 | 25/50/75/100mm | 125/150/175mm | 200/225/250/275/300mm | |
| 外壳长度 A | ≈ 量程 +44 mm | ≈ 量程 +45 mm | ≈ 量程 +46 mm | |
机械行程 MT | ≈ 量程 +4 mm | ≈ 量程 +5 mm | ≈ 量程 +5 mm | |
尺寸图:

更详细的产品尺寸资料,请联系客服,领取产品【2D/3D】素材。欢迎拨打我们的24H服务热线:400-0909-602
实物图:


